コンデンサインプット形整流回路
- Capacitor input type rectifier circuit
- 电容输入形整流电路
- 콘덴서 인풋형 정류회로
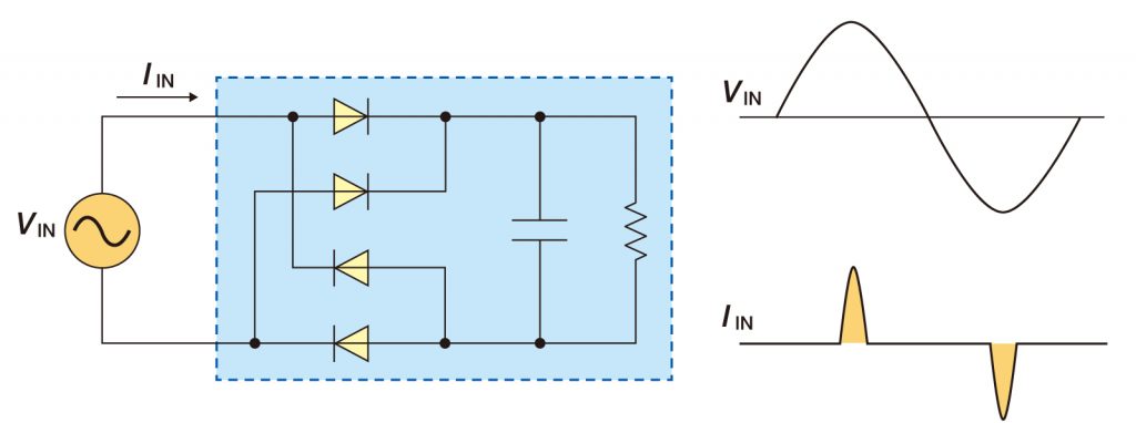
家庭用・産業用のさまざまな電子機器に使用されている電源入力部には、回路が簡単で低コストなことから、コンデンサインプット形整流回路が採用されてきた。
このような回路をもった電子機器の電源入力電流は、与えられた正弦波電圧のピーク値付近だけ電流が流れるような波形になり、高調波成分を多く含んでしまうとともに、実効値に対するピーク値の比(CrestFactor、CF値)が、抵抗などの線形負荷の場合(CF=1.41)に対して1.5~2倍程度に大きくなる。
低次高調波を発生させ、入力力率(Input power factor)が悪いことになる。
これらの欠点を防ぐため、最近の電子機器ではPFC(Power Factor Correction)タイプの整流回路を採用することが多くなってきた。

当社の電源は、コンデンサインプット形負荷にもひずみの少ない電圧を供給できるように、最大でCF=3.5~4*までの電流が供給できるよう考慮されている。
- 機種、出力容量、出力モードによる。