電流制御LEDドライバ
バックライト向けLEDドライバは、多数のLEDを点灯させるため、大電流出力の電源回路です。高効率・低消費電力、調光性能などが求められ、開発が進んでいる分野です。
周波数特性分析器を用いて、負荷LEDを点灯させた状態で、LEDドライバのループ・ゲイン特性を測定します。
ループ・ゲイン測定の詳細については、技術資料「周波数特性測定によるスイッチング電源の安定性評価」を御覧ください。
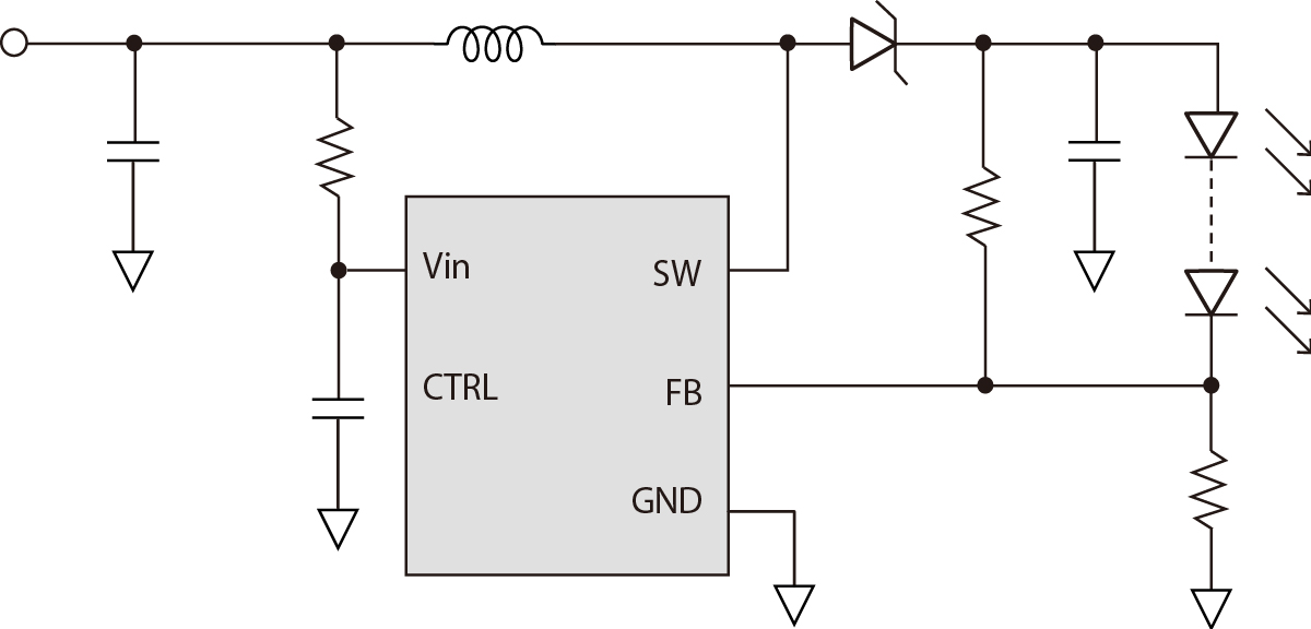
測定対象
白色LEDドライバ
- 最大出力電圧:38V
- 最大電流:400mA
- 最大スイッチング周波数:1.5MHz

実測例
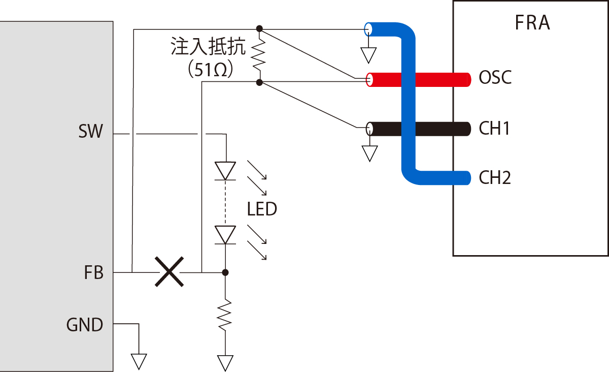
測定ブロック図
右の図のように、負帰還回路の一部を変更して、信号を注入します。
- 注入抵抗:50Ω ~ 100Ω
- 注入信号:FB電圧の1/100程度
- スイープ周波数:10Hz~100kHz

測定結果
- 位相余裕:80.5deg
- クロスオーバー周波数:4.37kHz
- 負帰還回路は非常に安定

ポイント
注入信号が大きすぎるとLEDが点滅する、制御ループが線形動作から外れるなど、適切な動作状態にて測定できなくなります。妥当な信号レベルを注入する必要があります。